智能自行車停車位
聲明:您必須遵守我們的協議,如果您下載了該資源行為將被視為對《電天下賬號管理規范》全部內容的認可,本網站資源來自原創,僅供用于學習和交流,請勿用于商業用途。如有侵權、不妥之處,請舉報本資源,我們將及時審核處理!
智能自行車停車位
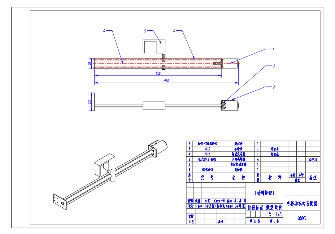
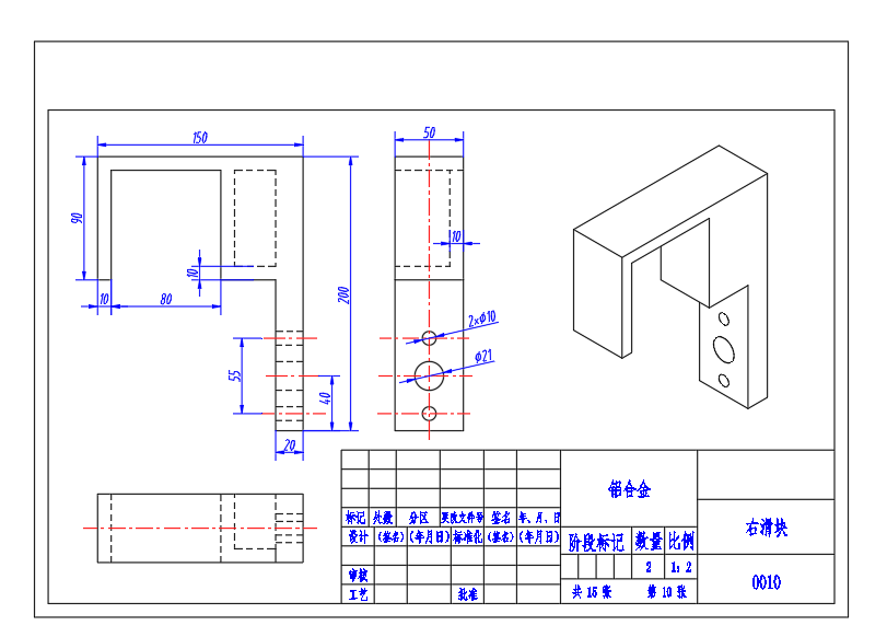
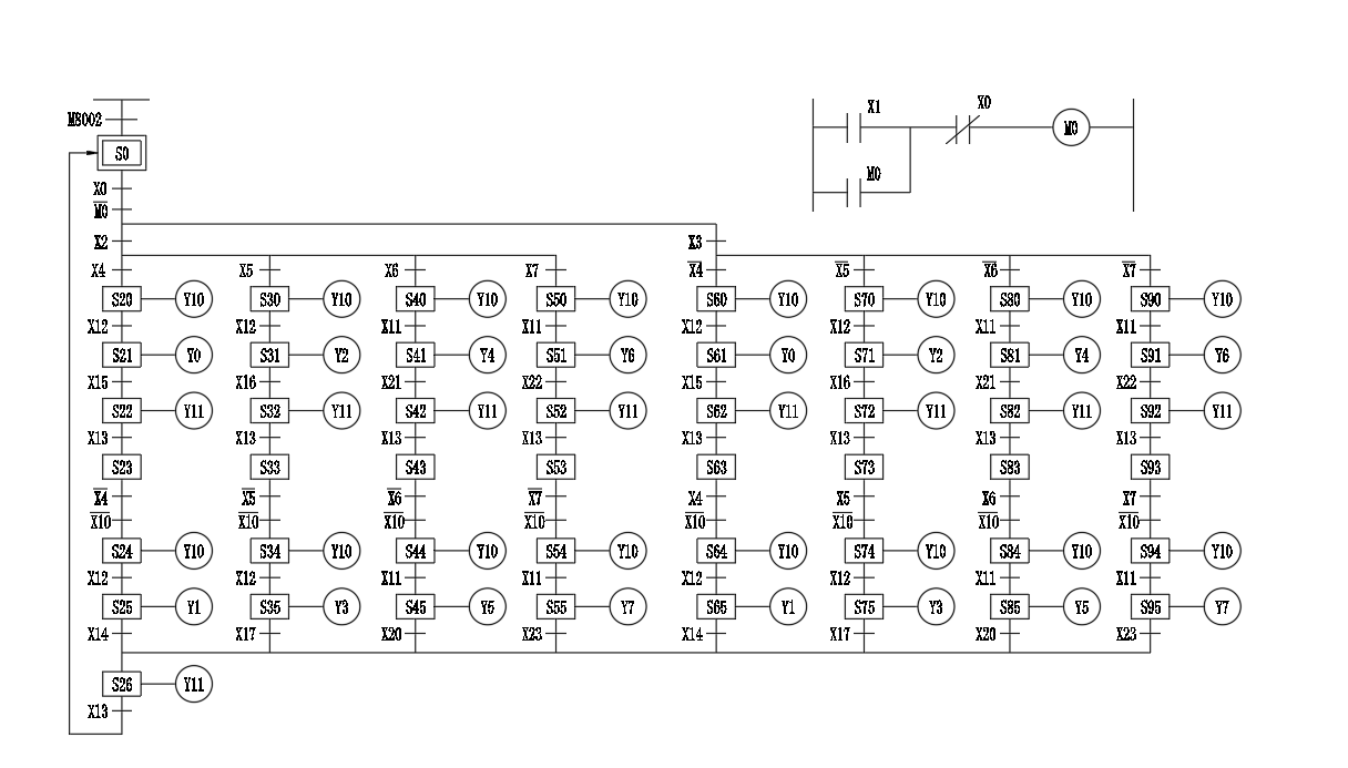
該設計為智能自行車停車位。隨著共享單車的普及,自行車亂停亂放的現象日益加重,導致自行車分散的占用了公共場地,極大的影響了市容市貌,浪費了公共資源。該設計采用了一種小規模集中立體停放自行車的形式來解決這些問題。現有的停放方式是直接把自行車停放在路面上,不僅浪費公共場地,還阻礙行人。設計采用PLC控制,以 5個三相異步電動機提供驅動力,運用了5個絲桿機構來實現自行車在三層的立體空間中停放。該設計實現了智能自動的把自行車停放在三層的立體空間中,從而實現自行車小規模集中立體停放,節約公共空間的目的。











好的,以下是針對“智能自行車停車位”這一標題的解釋與描述:
---
**標題:智能自行車停車位**
**解釋與描述:**
“智能自行車停車位”是一種結合現代信息技術與物聯網(IoT)技術的新型停車設施,旨在為電動自行車、普通自行車等非機動車提供更加便捷、安全、高效的停放解決方案。它不僅具備傳統停車位的基本功能,還通過智能化手段提升管理效率和用戶體驗。
**主要特點包括:**
1. **自動識別與計費**
采用車牌識別、RFID芯片或二維碼掃描等方式,實現對車輛的自動識別和停放時間記錄,支持按小時或按次計費,減少人工操作。
2. **智能鎖控系統**
配備電子鎖或機械鎖,用戶可通過手機APP或刷卡進行解鎖,確保車輛安全,防止被盜。
3. **實時監控與報警**
內置攝像頭和傳感器,可實時監控車位使用情況,并在異常(如非法占用、車輛損壞)時發出警報。
4. **數據管理與遠程控制**
管理人員可通過后臺系統查看車位使用率、收入統計等信息,并進行遠程調度與維護。
5. **節能環保設計**
部分智能車位采用太陽能供電、LED照明等環保技術,降低能耗,符合綠色城市建設理念。
**應用場景:**
- 社區住宅小區
- 商業綜合體
- 學校、醫院等公共場所
- 公共交通樞紐(如地鐵站、公交站)
**優勢與價值:**
- 提高空間利用率,緩解停車難問題;
- 提升管理效率,降低人力成本;
- 增強用戶停車體驗,提升滿意度;
- 推動城市智慧化、綠色化發展。
---
如果您有更多關于“智能自行車停車位”的具體問題,例如安裝方式、價格、技術參數等,歡迎隨時咨詢!
智能自行車停車位的相關資源推薦
會員專享
開通會員
升級會員獲取海量資源免費下載
會員免費下載
原價360D幣 限時
302D幣 購買
上傳資源賺收益
格式:zip
瀏覽:77
收藏:0
瀏覽:77??|??
收藏:0
上傳時間:2025-09-12
大小:120.5M
舉報作者相關作品
排名
昵稱
瓦特值
熱門標簽







