齒輪油泵、水泵、容積泵
聲明:您必須遵守我們的協議,如果您下載了該資源行為將被視為對《電天下賬號管理規范》全部內容的認可,本網站資源來自原創,僅供用于學習和交流,請勿用于商業用途。如有侵權、不妥之處,請舉報本資源,我們將及時審核處理!
齒輪油泵、水泵、容積泵
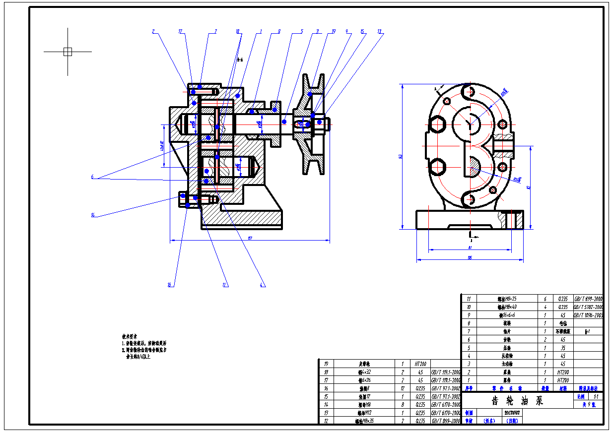
該圖紙有3D模型和工程圖。3D模型是根據實物測繪而來。 齒輪油泵是一種通過一對相互嚙合的齒輪在泵體內旋轉,實現液體(通常為潤滑油、液壓油或燃油等)吸入和排出的容積式泵。其工作原理基于齒輪嚙合時形成的密封容積變化,屬于典型的回轉式泵類。



好的,以下是針對您提供的標題“齒輪油泵、水泵、容積泵”的詳細解釋與描述,幫助您更全面地理解這些設備的定義、功能和應用場景:
---
### 一、齒輪油泵
**定義:**
齒輪油泵是一種利用兩個相互嚙合的齒輪在密封腔體內旋轉,從而實現液體(通常是潤滑油或液壓油)輸送的機械設備。它屬于**容積式泵**的一種。
**工作原理:**
當齒輪旋轉時,吸入側形成負壓,將液體吸入泵內;隨著齒輪的轉動,液體被逐漸推向排出側,最終通過出口排出。
**特點:**
- 結構簡單,維護方便
- 適用于高粘度液體
- 壓力穩定,流量均勻
- 不適合輸送含有固體顆粒的液體
**應用領域:**
- 液壓系統
- 潤滑系統
- 工程機械
- 汽車發動機潤滑系統
---
### 二、水泵
**定義:**
水泵是用于輸送水或其他液體的設備,廣泛應用于工業、農業、建筑和日常生活等領域。根據結構不同,可分為離心泵、軸流泵、混流泵等多種類型。
**工作原理:**
以**離心泵**為例,電機帶動葉輪高速旋轉,液體在離心力作用下被甩出,形成壓力,從而實現液體的輸送。
**特點:**
- 適用范圍廣,可輸送清水、污水等
- 效率高,運行平穩
- 可調節流量和揚程
- 需要定期維護
**應用領域:**
- 城市供水系統
- 農業灌溉
- 工業冷卻循環系統
- 消防系統
---
### 三、容積泵
**定義:**
容積泵是一種通過改變泵腔體積來輸送液體的設備,其特點是**流量基本恒定**,不受出口壓力影響。常見的容積泵包括齒輪泵、螺桿泵、柱塞泵、隔膜泵等。
**工作原理:**
容積泵通過機械運動(如活塞、轉子、葉片等)改變泵腔的容積,使液體被吸入并排出。其核心在于**封閉空間的周期性變化**。
**特點:**
- 流量穩定,壓力高
- 適用于高粘度或含有雜質的液體
- 運行噪音相對較大
- 部分型號需要定期潤滑
**應用領域:**
- 化工行業(輸送腐蝕性或高粘度液體)
- 石油和天然氣行業
- 食品和制藥行業(需衛生級設計)
- 液壓系統
---
### 總結對比表:
| 類別 | 是否容積泵 | 適用液體類型 | 特點 | 應用場景 |
|------------|-------------|------------------|------------------------------|------------------------------|
| 齒輪油泵 | 是 | 高粘度液體 | 結構簡單、壓力穩定 | 液壓系統、潤滑系統 |
| 水泵 | 否(多數為離心泵) | 清水/污水 | 流量可調、效率高 | 供水、灌溉、消防系統 |
| 容積泵 | 是 | 多種液體 | 流量穩定、壓力高 | 化工、石油、食品等行業 |
---
如果您有具體的應用場景或技術問題,歡迎進一步提問,我將為您提供建議和解決方案。
齒輪油泵、水泵、容積泵的相關資源推薦
會員專享
開通會員
升級會員獲取海量資源免費下載
會員免費下載
原價65D幣 限時
60D幣 購買
上傳資源賺收益
格式:zip
瀏覽:45
收藏:0
瀏覽:45??|??
收藏:0
上傳時間:2025-09-11
大小:3.2M
舉報作者相關作品
排名
昵稱
瓦特值
熱門標簽







